Двигатель бензиновый Grost GX 270 RE с редуктором, аналог HONDA
Уведомить о поступлении
Товар: Двигатель бензиновый Grost GX 270 RE с редуктором, аналог HONDA
Поддерживаются только номера РФ. Формат: +7 (___) ___-__-__.
До 1000 символов.
Достаточно указать e-mail или телефон.
Напишите на почту KratonShop@yandex.ru, подберем аналог
Описание
| Базовые габариты | 380 x 430 x 410 мм |
| Базовый вес | 25 кг |
| Диаметр x Ход поршня | 77 x 58 мм |
| Ёмкость топливного бака, л | 5,3 л |
| Запуск | ручной / электрический |
| Крутящий момент max | 19,1 Нм / 1.9 кг/м / 2.500 об/мин |
| Масло (рекомендованное) | 10W30, 10W40 |
| Модель двигателя | GX270 RE |
| Мощность двигателя | 6.6 кВт (9 л.с.) / 3.600 об/мин |
| Мощность на валу | 4.6 кВт (6.2 л.с.) / 3.000 об/мин 5.1 кВт (6.8 л.с.) / 3.600 об/мин |
| Объём двигателя | 270 см. куб. |
| Объём масла в картере, л | 1.1 |
| Полезная мощность | 6.0 кВт (8.0 л.с.) при 3.600 об/мин |
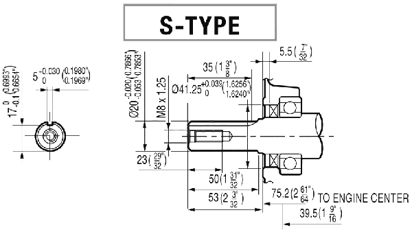
| Размер вала | S (тип) |
| Расход топлива | 313 г/кВт.ч - 230 г/л.с.ч 2.5 л/ч при 3600 об/мин |
| Система зажигания | транзисторная |
| Тип двигателя | 4-тактный, OHV |
| Топливо | бензин АИ92, АИ95 |
Четырехтактный двигатель GX 270 RE с редуктором, сцеплением и электростартом - один из наиболее мощных двигателей своего класса. Он разработан для использования с профессиональной мототехникой: различными моделями культиваторов и мотоблоков, газонокосилок, водяных помп, небольших электростанций, мини-снегоходов и различной садовой техники.
Инструкция и видео
Оплата

Оплата физическим лицом
Наличными в офисе.
Оплата счёта через отделения Сбербанка России или другие банки.
Оплата банковской картой в офисе (эквайринг) — +2,0 %.
Перевод с карты на карту. Получатель: Ольга Владимировна Б. _______________________(номер счёта: 40817810155867289990, банк получателя: СЕВЕРО-ЗАПАДНЫЙ БАНК ПАО СБЕРБАНК, БИК: 044030653, корр. счёт: 30101810500000000653). Номер карты высылается при выставлении счёта. После поступления оплаты пробивается по кассе чек.

Оплата юридическим лицом
Юридические лица оплачивают счёт с расчётного счёта в обслуживающем банке. В стоимости товара выделяется НДС.
За более подробной информацией обращайтесь к менеджеру по телефону, указанному в разделе «Контакты».
Доставка заказа

Доставка по России и СНГ
Срок доставки может составлять от 2 до 15 дней в зависимости от расстояния. Срок отгрузки в транспортную компанию указывается в счёт-оферте. Заказ по умолчанию страхуется в транспортной компании на стоимость указанную в счёт-оферте (стоимость услуги доставки по тарифам транспортной компании).

Самовывоз со склада г. Санкт-Петербурга
Отгрузка при самовывозе: пн-пт с 10:00 до 18:00 (пт до 15:00).
Для физических лиц необходим паспорт или водительское удостоверение.
Для юридических лиц необходима доверенность от организации и паспорт.

Доставка по г. Санкт-Петербургу и Ленинградской области
Красная зона — при заказе свыше 50 000 руб. доставка бесплатно (вес заказа до 350 кг и объём до 1 м³)*.
Зелёная зона — при заказе свыше 50 000 руб. доставка от 1 500 до 2 500 руб. (вес заказа до 350 кг и объём до 1 м³)*.
Стоимость доставки далее зелёной зоны рассчитывается индивидуально.
* При весе заказа более 200 кг или объёме более 1 м³ стоимость доставки рассчитывается индивидуально.
Доставка осуществляется собственным транспортом или транспортом компании-партнёра до объекта. Разгрузка осуществляется силами покупателя (покупатель обеспечивает подъезд транспорта поставщика к месту разгрузки).
Рассчитать доставку
Уставные документы
ООО "Торговый дом "Кратон"
Юридический адрес: 193079, г. Санкт-Петербург, ул. Народная, дом 11, корп. 2, лит. А, помещение 7-Н
Фактический адрес: 193079, г. Санкт-Петербург, ул. Народная, дом 11, корп. 2, лит. А, помещение 7-Н
ИНН 7806502217
КПП 781101001
Р/с 40702810636260006735 в Филиал «ЦЕНТРАЛЬНЫЙ» Банка ВТБ (ПАО), г. Москва
БИК 044525411
К/с 30101810145250000411
ОКПО 13173280
ОГРН 1137847186498
Уставные документы:
При оплате по безналичному расчёту мы работаем по счёт-оферте. При заказе свыше 150 000 руб. при необходимости составляется договор для юридических лиц. Скачать договор
Индивидуальный предприниматель Бутылина Ольга Владимировна
Фактический адрес: 193079, г. Санкт-Петербург, ул. Народная, дом 11, корп. 2, лит. А, помещение 7-Н
ИНН 782576103819
ОГРНИП 315784700136222
Счёт 40802810917350003940
Банк Филиал «ЦЕНТРАЛЬНЫЙ» Банка ВТБ (ПАО)
Корр. счёт 30101810145250000411
БИК 044525411
Уставные документы:
Аналогичные товары:
Нашли дешевле? Сообщите и получите скидку от цены конкурента
Заказать звонок менеджера!
Связаться по телефону: +7 (812) 642-10-04
ПН.-ПТ. 9.00-18.00 МСК
