Вся информация на сайте носит справочный
характер и не являетсяпубличной офертой,
 определяемой статьей 437 ГК РФ
 
Производитель, оставляет за собой право
на улучшение характеристик товара,
 без предварительного уведомления потребителя
 
 
 
 

  Обновление на сайте от 04.12.2025 г.

  

Уважаемые клиенты, в связи с колебаниями курса, цены просьба уточнять по WhatsApp +7 (964) 342-10-04 или KratonShop@yandex.ru

 Гарантия производителя

  

Опрессовщик ручной TOR HHS-15G

 Номер по каталогу: 1004795        Производитель: Россия-КНР         Гарантия от производителя: 1 год

 

  Опрессовщик ручной TOR HHS-15G

Опрессовщик ручной TOR HHS-15G
    

                                                       


Давление: 150 бар
Емкость: 15 л

Нашли дешевле? Сделаем скидку от цены конкурента

Ваша цена:  13935 руб. (с НДС)

 –  + 
Доставка заказов по всей России и РБ транспортной компанией

   

 Технические характеристики

Габариты, мм

496x280x190

Вес, кг

13

Давление, МПа

15

Емкость бака, л

15

Скорость потока. мл/с

20

Тип рабочей жидкости

вода, машинное масло

Опрессовщик ручной TOR HHS-15G

Насос для опрессовки гидравлических систем модели предназначен для опрессовки различных емкостей и систем трубопроводов при работе в условиях умеренного климата, в интервале температур окружающей среды от 10° до 35° С.

Постоянное давление в испытываемой системе обеспечивается обратным нагнетательным клапаном и запорным вентилем на сливе.

Опрессовщик состоит из сварного бака, насоса с рукояткой и манометром, шланга.

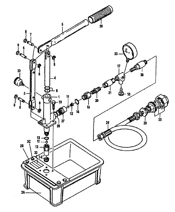
Номер

Обозначение

Кол- во

1

цилиндр

1

резервуар для воды

1

подставка

1

2c

болт

4

3

подпорка

1

4

поршень

1

5

рукоятка

1

6

опорная ось

2

7

центральная ось

1

8

упорное кольцо

6

9

уплотнительное кольцо поршня
p-22

2

10

всасывающая камера

1

11

всасывающий и нагнетательный клапан

2

12

пружина

1

13

уплотнительное кольцо всасывающей камеры р-14

1

14

сетчатый фильтр

1

15

стыковое соединение клапана

1

16

уплотнительное кольцо р-15

1

17

подставка под воздушный манометр

1

18

шуруп

1

19

болт

4

20

ниппель

1

21

шаровой клапан

1

22

масленка

1

23

манометр давления

1

24

шланг высокого давления

1

25

муфтовое соединение

1

26

ручка рукоятки

1

27

всасывающий клапан

1

28

уплотнительное кольцо р-18

1

29

втулка

1

30

шаровой клапан

1

31

паспортная табличка

1

Комплект поставки:

  • Насос в сборе
  • Рукоятка
  • Рукав высокого давления
  • Руководство по эксплуатации
  • Упаковка

 

При оплате по безналичному расчету мы работаем по счет-оферте, при заказе свыше 150 000 руб. если требуется составляем договор для юридических лиц. Скачать договор

Остались вопросы? напишите нам на почту KratonShop@yandex.ru  или WhatsApp +7 (964) 342-10-04

 

   Инструкцию пришлем по запросу

 


*Нашли ошибку в описании? сообщите нам и получите дополнительную скидку!
 
 
 
 

 


Вам также может быть интересно...

Фото Название В корзину Заказ
Двухпоточная маслостанция МГС 700-3.0-Р-2 220 В

Производительность: 3,0 л/мин
Максимальное давление: 700 бар
Привод: 220В
Тип станции: двустороннего действия
Гидрозамок: нет
Без педали, с ручным распределителем

Подробнее...

104760
Домкрат грузовой гидравлический ДГ100-200П

Грузоподъемность: 100 т
Ход штока: 200 мм

Подробнее...

63360
Домкрат грузовой с гидравлическим возвратом ДГ100-500Г

Грузоподъемность: 100 т
Ход штока: 500 мм

Подробнее...

146289
Домкрат телескопический грузовой с гравитационным возвратом штока ДТ30-300М

Грузоподъемность: 30/67 т
Ход штока: 300 мм

Подробнее...

62976
Ручной шинообрабатывающий станок СШГ-120Р
Лучшее предложение !

Ширина: до 120 мм
Толщина: до 10 мм
Диаметры: 11.1, 14.3, 17.5, 20.6 мм

Подробнее...

100224
Пресс с электроприводом ПГГ-10ЭП, с ручным распределителем

Нагрузка: 10 тонн

Подробнее...

129857
Домкрат с полым штоком ДП30-200П (с пружинным возвратом штока)

Грузоподъемность: 30 т
Ход штока: 200 мм

Подробнее...

55193
Гайковерт гидравлический TU-2 (1796Нм, приводной квадрат 3/4

Макс. крутящий момент: 1796 Нм
Тип патрона: квадрат 3/4"

Подробнее...

195264
Тензорный домкрат ДГТ74-8П

Усилие: 74 т
Ход: 8 мм
Резьба: М36х4

Подробнее...

153312
Домкрат грузовой с гидравлическим возвратом ДГ300-100Г

Грузоподъемность: 300 т
Ход штока: 100 мм

Подробнее...

154755
Двухпоточная маслостанция МГС150-20КД-Р-2-15л-380В для динамического инструмента

Производительность: 20 л/мин
Максимальное давление: 200 бар
Привод: 380В
Тип станции: двустороннего действия
Гидрозамок: нет
Ручное трехпозиционное распределителение

Подробнее...

182400
Мини маслостанция сверхвысокого давления МГС 2500-0.08П-Р-1 с пультом

Производительность: 0,08 л/мин
Максимальное давление: 2500 бар
Привод: 220В
Тип станции: одностороннего действия
Гидрозамок: нет
Без педали, с ручным распределителем

Подробнее...

525450